コンパクト高粘性、スラリーポンプ
フランスのエンジニア、ルネ・モアノ(René Moineau)が発明した100年近い歴史のある、高粘性、スラリー、あらゆる液に対応できる「一軸偏心ねじポンプ」を、同期モータ直結構造によりコンパクトに実現しました。これにより場所制限による設置範囲が広くなりました。
同期モータをインバータ駆動で、流量値をゼロから広範囲まで、細かく精確に設定できます。
仕様表(吐出圧は最大0.6MPa)
| 型番 | 回転数r/min | 動力kwL1 | 流量㎥/h | 口径mm | 価格 万円 |
| M1.0 | 0~960 | 0.55 | 1 | 38 | 33 |
| M1.5 | 0~960 | 0.55 | 1.5 | 38 | 38 |
| M2.0 | 0~960 | 0.75 | 2 | 38 | 48 |
| M3.0 | 0~960 | 1.1 | 3 | 38 | 52 |
| M4.5 | 0~960 | 1.5 | 4.5 | 51 | 57 |
| M6.5 | 0~960 | 2.2 | 6.5 | 51 | 68 |
| M9.0 | 0~960 | 3 | 9 | 63 | 78 |

インバータセット、中性液、清水における参考価格です。(液体種類、お客様の住所により異なります。送料、税別途。)
受注生産ですので、納期は二ヶ月前後になります。
より高い圧力、材質などご要望のある場合は、お問合せフォームに記入してご連絡下さい。
購買手順:
①問合せフォームに取り扱い液体情報を入力し、弊社に送付。
②弊社から電話或いはメールで連絡。
③押印した注文表を弊社に送付。(メール可)
④前払い金(商品代金の50%)のお支払い。(場合によっては前払い金なし)
⑤納品後一ヶ月内に残金をお支払い。
⑥納品後二週間以内で、品質に不満があった場合、返金返品。(商品の再販売に支障がない場合に限ります。送料はご負担下さい)

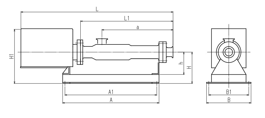
参考寸法表
| M1.0 | M1.5 | M2.0 | M3.0 | M4.5 | M6.5 | M9.0 | |
| A | 430 | 430 | 500 | 540 | 600 | 660 | 690 |
| A1 | 400 | 400 | 460 | 500 | 550 | 610 | 640 |
| B | 235 | 235 | 235 | 250 | 275 | 320 | 350 |
| B1 | 205 | 205 | 205 | 210 | 225 | 270 | 300 |
| a | 210 | 210 | 251 | 313 | 350 | 391 | 408 |
| L | 580 | 610 | 700 | 780 | 860 | 900 | 950 |
| L1 | 310 | 310 | 360 | 390 | 430 | 480 | 500 |
| h | 80 | 80 | 90 | 90 | 100 | 112 | 132 |
| H | 120 | 120 | 130 | 130 | 140 | 162 | 182 |
| H1 | 180 | 180 | 184 | 195 | 208 | 238 | 259 |